Sign In | Join Free | My chinacomputerparts.com
China Wuhan Liocrebif Technology Co., Ltd logo
Wuhan Liocrebif Technology Co., Ltd
TECHNOLOGICAL INNOVATION,NAVIGATING THE FUTURE
Verified Supplier

1 Years

Home > Fiber Optic Connectors >

OE46M/30M Underwater Optical Electrical Connector 2-32 Cores Standard With 316L Connector Housing

Wuhan Liocrebif Technology Co., Ltd
Trust Seal
Verified Supplier
Credit Check
Supplier Assessment
Contact Now

OE46M/30M Underwater Optical Electrical Connector 2-32 Cores Standard With 316L Connector Housing

Brand Name : Liocrebif

Model Number : LKF-OE46M/30M

Certification : GJB 9001C-2017

Place of Origin : China

MOQ : 1

Price : 5000-25000CHY

Payment Terms : T/T

Supply Ability : 10000

Delivery Time : 2-4 weeks

Packaging Details : Wooden box/Cardboard box/Container

Color&Classification : LKF-OE46M/30M

Brand : Liocrebif

Output format : RS422

Application : Fiber-Optic Perimeter Sensing and Detection, Mobile Outdoor Base Station Equipment, Lake Monitoring and Underwater Surveillance, High-Speed Rail and Highway Signal Control, Coal Mines, Oil Wells, Natural Gas, etc., Geological Exploration Communications

Original Place : China

Dimension : Determined by model

Contact Now

Essential details
MOQ:1
Specification Number:LKF-OE46M/30M

Main Performance

Number of Contact Pins

2~32 cores

Contact Resistance

<10 mQ

Insulation Resistance

>2000MΩ at normal conditions, >1000MΩ after environmental testing

Dielectric Voltage

≤3000V DC, 1 min

Single-Core Current Rating

≤40A

Insertion Loss

1.2dB standard / 0.6dB low loss (1310nm)

1.0dB standard / 0.5dB low loss (1550nm)

Mechanical Life

>1000 cycles

Factory Test Pressure

Standard lateral 30MPa, customizable up to 60MPa lateral pressure, customizable with longitudinal waterproofing for receptacles

Operating Temperature

-45℃~90℃

Connector housing

Standard stainless steel 316L, customizable titanium alloy TC4

Optical contact

Zirconia ceramic pins

Electrical contact

Gold-plated brass

Sealing end cap

Stainless steel 316L

Cable

Polyurethane cable or rubber-sheathed cable

Connector Arrangement

OE46M/30M Underwater Optical Electrical Connector 2-32 Cores Standard With 316L Connector Housing

Number of cores: 2 optical/electrical

Single-core current rating: 65A

Operating voltage: 1000V DC/AC rms

Dielectric voltage: 2500V DC

Insertion loss: ≤1.0dB@1550nm


OE46M/30M Underwater Optical Electrical Connector 2-32 Cores Standard With 316L Connector Housing

Number of cores: 4 optical/electrical

Single-core current rating: 40A

Operating voltage: 500V DC/AC rms

Dielectric voltage: 2500V DC

Insertion loss: ≤1.0dB@1550nm

OE46M/30M Underwater Optical Electrical Connector 2-32 Cores Standard With 316L Connector Housing

Number of cores: 7 optical/electrical

Single-core current rating: 20A

Operating voltage: 500V DC/AC rms

Dielectric voltage: 1000V DC

Insertion loss: ≤1.0dB@1550nm


OE46M/30M Underwater Optical Electrical Connector 2-32 Cores Standard With 316L Connector Housing

Number of cores: 12 optical/electrical

Single-core current rating: 13A

Operating voltage: 500V DC/AC rms

Dielectric voltage: 1000V DC

Insertion loss: ≤1.0dB@1550nm

OE46M/30M Underwater Optical Electrical Connector 2-32 Cores Standard With 316L Connector Housing

Number of cores: 16 optical/electrical

Single-core current rating: 13A

Operating voltage: 500V DC/AC rms

Dielectric voltage: 1000V DC

Insertion loss: ≤1.0dB@1550nm

OE46M/30M Underwater Optical Electrical Connector 2-32 Cores Standard With 316L Connector Housing

Number of cores: 32

Single-core current rating: 5A

Operating voltage: 500V DC/AC rms

Dielectric voltage: 1000V DC


OE46M/30M Underwater Optical Electrical Connector 2-32 Cores Standard With 316L Connector Housing

Number of cores: 4 optical/electrical + 1 RF

Single-core current rating: 20A

Operating voltage: 500V DC/AC rms

Dielectric voltage: 1000V DC

Insertion loss: ≤1.0dB@1550nm

Note: Customization is available to support optical, electrical, and RF transmission requirements with different core counts.

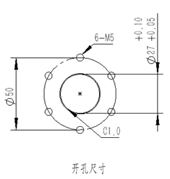
Dimensions Of The External Structure

Plug shape

OE46M/30M Underwater Optical Electrical Connector 2-32 Cores Standard With 316L Connector Housing OE46M/30M Underwater Optical Electrical Connector 2-32 Cores Standard With 316L Connector Housing

OE46M/30MTEXFY Vertical Tail Attachment Configuration

OE46M/30M Underwater Optical Electrical Connector 2-32 Cores Standard With 316L Connector Housing OE46M/30M Underwater Optical Electrical Connector 2-32 Cores Standard With 316L Connector Housing

OE46MT/30MTEXFYRound Conventional Tail Attachment Form

Outlet shape

OE46M/30M Underwater Optical Electrical Connector 2-32 Cores Standard With 316L Connector Housing

OE46M/30M Underwater Optical Electrical Connector 2-32 Cores Standard With 316L Connector Housing OE46M/30M Underwater Optical Electrical Connector 2-32 Cores Standard With 316L Connector Housing OE46M/30M Underwater Optical Electrical Connector 2-32 Cores Standard With 316L Connector Housing

OE46M/30M Underwater Optical Electrical Connector 2-32 Cores Standard With 316L Connector Housing OE46M/30M Underwater Optical Electrical Connector 2-32 Cores Standard With 316L Connector Housing OE46M/30M Underwater Optical Electrical Connector 2-32 Cores Standard With 316L Connector Housing

Sealing Cap Profile

OE46M/30M Underwater Optical Electrical Connector 2-32 Cores Standard With 316L Connector Housing OE46M/30M Underwater Optical Electrical Connector 2-32 Cores Standard With 316L Connector Housing OE46M/30M Underwater Optical Electrical Connector 2-32 Cores Standard With 316L Connector Housing


Product Tags:

OE46M/30M Optical Electrical Connector

      

OE46M/30M Fiber Optic Connectors

      

32 Cores Optical Electrical Connector

      
China OE46M/30M Underwater Optical Electrical Connector 2-32 Cores Standard With 316L Connector Housing factory

OE46M/30M Underwater Optical Electrical Connector 2-32 Cores Standard With 316L Connector Housing Images

Inquiry Cart 0
Send your message to this supplier
 
*From:
*To: Wuhan Liocrebif Technology Co., Ltd
*Subject:
*Message:
Characters Remaining: (0/3000)