| Sign In | Join Free | My chinacomputerparts.com |
|
Brand Name : Liocrebif
Model Number : LKF-F3G70
Certification : GJB 9001C-2017
Place of Origin : China
MOQ : 1
Price : 5000-25000CHY
Payment Terms : T/T
Supply Ability : 10000
Delivery Time : 2-4 weeks
Packaging Details : Wooden box/Cardboard box/Container
Color&Classification : LKF-F3G90
Dimensions : 6.1±0.01×6.1±0.01×2.8±0.01 cm
Module Type : Gyroscope
Brand : LIOCREBIF
Application : Medium-high precision inertial navigation system, Positioning and orientation system, Servo stabilization system
Electricity : RS422
Original Place : China
Introduction
LKF-F3G90 three-axis fiber optic gyroscope is an inertial angular rate sensor based on the optical Sagnac effect, designed to measure the angular velocity of the carrier along the product's sensitive axis. The angular velocity sensing unit of this product is an optical fiber ring. It employs a digital closed-loop detection circuit to extract the path difference of light propagating clockwise and counterclockwise caused by external physical angular velocity, which is sensitive to the optical fiber ring. Simultaneously, the path difference signal is converted into a voltage signal for closed-loop feedback and control, achieving signal modulation and demodulation to realize high-precision angular velocity signal detection.
Table 1 Performance parameters of LKF-F3G90 Three-axis FOG
| No. | Test items | Unit | Technical Requirement | ||
| F3G90 three-axis fiber optic gyroscope | A | B | C | ||
| 1 | Start-up time | s | 5 | ||
| 2 | Bias stability (2h, 100s smoothing) | (°)/h | ≤0.006 | ≤0.003 | ≤0.001 |
| 3 | Bias repeatability (2h, 100s smoothing) | (°)/h | ≤0.006 | ≤0.003 | ≤0.001 |
| 4 | Random walk coefficient | (°)/h^1/2 | ≤0.001 | ||
| 5 | Scale factor nonlinearity | ppm | ≤10 | ||
| 6 | Scale factor asymmetry | ppm | ≤10 | ||
| 7 | Scale factor repeatability | ppm | ≤15 | ||
| 8 | Bandwidth | Hz | ≥200 | ||
| 9 | Operating temperature | ℃ | -45~+70 | ||
| 10 | Storage temperature | ℃ | -55~+80 | ||
| 11 | Dynamic range | (°)/s | ±300 | ||
| 12 | Supply voltage | V | +5 | ||
| 13 | Room temperature steady-state power consumption | W | ≤7 | ||
| 14 | Full temperature range steady-state power consumption | W | ≤10 | ||
| 15 | Startup transient current | A | <2 | ||
| 16 | Threshold | (°)/h | ≤0.01 | ||
| 17 | Resolution | (°)/h | ≤0.01 | ||
Table 2 The Electrical Interface Of The Gyroscope Uses J30JZLN9ZKCA000 Connector
| No. | Definition | Notes |
| 1 | +5V | Power supply input |
| 2 | GND | Power supply ground |
| 3 | Reserved | -- |
| 4 | RXD+ | Gyro differential select positive |
| 5 | TXD+ | Gyro RS422 output positive |
| 6 | +5V | Power supply input |
| 7 | GND | Power supply ground |
| 8 | RXD- | Gyro differential select negative |
| 9 | TXD- | Gyro RS422 output negative |
Main Features
Dual-module integration
Multi-parameter synchronous output
Optical inertial sensing
Application
Medium-high precision inertial navigation system
Positioning and orientation system
Servo stabilization system
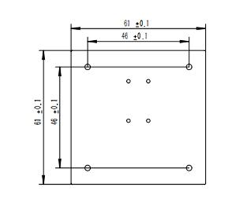
Fig. 1 Dimensions of the external structure


|
|
Long Lasting Multi Axis Gyroscope 3 Axis With Servo Stabilization System FOG90 Images |