| Sign In | Join Free | My chinacomputerparts.com |
|
Brand Name : Liocrebif
Model Number : LKF-FS70
Place of Origin : China
Certification : GJB 9001C-2017
Price : 5000-25000CHY
MOQ : 1
Packaging Details : Wooden box/Cardboard box/Container
Delivery Time : 2-4 weeks
Payment Terms : T/T
Supply Ability : 10000
Color&Classification : LKF-FS70
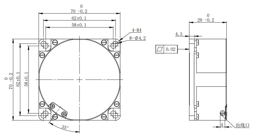
Dimensions : 7*7*2.9cm
Output format : RS422
Bandwidth : 300Hz
Brand : Liocrebif
Application : Electro-optical Pod, Flight Control Platform, Optical/Photographic Platform, Platform Stabilizer, Satcom on the Move, Inertial Measurement Unit, Light UAV
Electricity : RS422
Original Place : China
Introduction
Fiber optic gyro, as a new type of all-solid-state gyro, has the advantages of fast startup, wide measurement range and high reliability, etc. LKF-FS70ZK can be applied to the application requirements of medium and high precision inertial guidance system which can be applied to land positioning and orientation, vehicle-mounted north finder, airborne air posture, marine gyro compass and so on.
By reducing the outer diameter of fiber to 135μm,Thin PM fiber solution decreases extremely the size of fiber coils and delivers outstanding precision performance in fiber coils, which is applied for miniaturization of FOGs. And, the coils are wound precisely through quadrupole symmetry method.The miniatured fiber optic gyros have excellent advantages of compact and cost-effective, and are easy to integrate and ideal for UAV, photoelectric pod, optical platform, and so on.
Table 1 Performance Parameters Of LKF-FS70ZK Single-Axis FOG
|
| A | B |
|
| Bias Stability °/hr(1σ,10s) | ≤0.05 | ≤0.03 | 2h consecutive test, 100s smooth |
| Bias Repeatability °/hr(1σ) | ≤0.05 | ≤0.03 | Calculated results after 6 tests |
| Random Walk Coefficient °/h^1/2 | ≤0.005 | ≤0.003 |
|
| Scale Factor Non-linearity ppm(1σ) | ≤10 | ≤10 | Normal Temperature |
| Scale Factor Repeatability ppm(1σ) | ≤20 | ≤10 | Normal Temperature |
| Scale Factor Repeatability at Full Temperature ppm(1σ) | ≤300 | ≤200 | -40℃~+60℃ |
| Dynamic Range | ±500°/s |
| |
| Magnetic Susceptibility | ≤0.02°/hr/Gs |
| |
| Working Temperature | -40℃~+70℃ |
| |
| Storage Temperature | -50℃~+70℃ |
| |
| Vibration Condition | 4.2g,20Hz~2000Hz | No resonance in the scanning | |
| Note: This series of gyroscope has gas tightness function. | |||
The electrical interface of the gyroscope uses J30-15ZK connector
| Pin | Pin Definition | Sign | Wire Color |
| 1 | Serial port T+ | TX+ | Yellow |
| 2 | Serial port T- | TX- | Orange |
| 3 | Serial port R+ | RX+ | Blue |
| 4 | Serial port R- | RX- | Green |
| 5,13 | Power +5V | +5V | Red |
| 6,7 | Power GROUND | GND | Black |
Main Features
Miniature and compact design
Pure solid shell design
Environment Edaptive
High Reliability and Long Life
Fully Digital RS-422 Electrical Output
Application
Electro-optical Pod
Flight Control Platform
Optical/Photographic Platform
Platform Stabilizer
Satcom on the Move
Inertial Measurement Unit
Light UAV
Fig. 1 Dimensions of the external structure


|
|
7*7*2.9mm Dimensions Inertial Navigation Gyroscope Fog Gyroscopic Devices Single Axis 300Hz Images |